产品中心导航 Products

ZBF-11B型
激光式SF6开关室环境智能化监控系统

ZBF-11B系列激光式SF6开关式环境监控系统是由四大模块构成,运用激光技术、主动取样方式实现对空气中所含SF6气体的检测
详细信息>>
 

ZB-01型SF6开关室环境智能化监控系统


产品概述:


  六氟化硫(SF6)是一种应用于高压电力设备极好的气体电解质,它以广泛应用于断路器、GIS、变压器、互感器、线性加速器、同轴电缆、波导、X射线设备及电容器中。SF6绝缘气体不但具有高耐电强度,还有良好的理化特性,它是迄今最理想的绝缘和灭弧介质。

  纯净的SF6气体是一种无色、无味、无毒和不燃的惰性气体。温度在180℃以下时它与电气设备中材料的相容性和氮气相似。纯SF6气体在温度升高到500℃时也不会分解;但与金属材料共存时,则在200℃时就有可能发生微量分解。电弧高温会使SF6气体分解,此外火花放电和电晕也会使SF6分解。SF6最大优点是它不含碳因此不会分解出影响绝缘的碳粒子,且其大部分气态分解物的绝缘性和SF6相当。所以不会是气体绝缘性能下降,但SF6气体分解物有毒,主要是SF4和SF2,以及少量的S2、F2、S、F等,此类分解产物往往含有剧毒,即使是微量,也会对人和动物造成危害。当时用以SF6气体为绝缘和灭弧介质的室内开关在使用过程中发生泄漏时,由于SF6比空气重,易于在地处聚集,它能置换空气中的氧气而引起窒息。所以使用SF6的区域或参与SF6设备的有关工作,必须按规程(GB/T8905-1996)执行。因此,研制GIS开关室SF6气体泄漏环境智能化监控系统应用于工业现场,已经变得非常重要。

  ZB-01型SF6开关室环境智能化监控系统(一下简称装置)正是为了满足电力安全生产的这一需求应运而生的。整个系统有一台主机、若干只气体检测单元和温湿度检测单元组成(具体数量根据实际使用开关时的开关数量和空间大小而定);气体检测单元安装在SF6开关下方的氧气浓度和SF6气体的浓度;主机具有人体红外线检测、语音提示和语音报警等功能;主机通过RS-485总线轮询、显示各气体传感器的氧气浓度数据和SF6气体含量状况,并在危险情况时给出语音报警信息以及控制风机工作;还可以通过RS-485总线实现与上位计算机的数据和信息交换,组成计算机对SF6开关室环境在线自动监控系统。


系统组成:


2.1监控主机单元原理框图


2.2气体检测单元原理框图


2.3温湿度检测单元原理框图


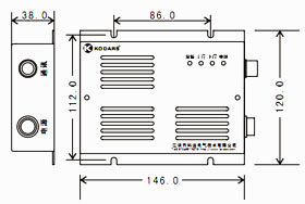
外观及安装尺寸:

图1 室内主机单元外形与固定孔尺寸

气体及温湿度检测单元
气体与温湿度检测单元的外形均为同一尺寸,详见图3.
气体检测单元安装于高压开关易泄露点的垂直向下距地约25mm的水平面上,详见如图4
图3 检测单元外形 图4 安装图


红外人体探测单元
此单元用于监测是否有工作人员进入开关室,一般安装于人员进出门口正上方,
外形及安装示例详见图5.
图5 红外人体探测单元



开关室环境智能化监控系统     激光SF6环境监控系统     便携式SF6露点仪     温湿度控制器     ZBF-11B     SF6
地址:张家港市经济开发区国泰北路1号 联系人:王先生 手机:13961696168 电话:0510-80682087 Email:173174676@qq.com 网址:www.zjghjkj.net
Copyright © 2014 张家港市海江科技有限公司 All Rights Reserved 苏ICP备11028388号