产品中心导航 Products

ZBF-11B型
激光式SF6开关室环境智能化监控系统

ZBF-11B系列激光式SF6开关式环境监控系统是由四大模块构成,运用激光技术、主动取样方式实现对空气中所含SF6气体的检测
详细信息>>
 

ZBF-11B型激光式SF6开关室环境智能化监控系统

 

产品概述:


  ZBF-11B系列激光式SF6开关式环境监控系统是由四大模块构成,运用激光技术、主动取样方式实现对空气中所含SF6气体的检测,四大模块分别是监控主机模块、SF6气体激光监测模块,智能模拟量数据采集模块和电机控制模块;以氧气监测模块,温湿度监测模块与各种电量监测模块等为辅助,可实时检测SF6、环境温湿度、氧气含量等,可以控制风机、空调等的开关等。系统自动记录各种报警数据与实时数据,并按照设定的方式控制风机等;能根据各种应用场合的具体要求进行灵活配置的智能型采集系统;并可提供与远端通信装置的接口,实现遥控、遥测、摇信等功能。

  ZBF-11B激光式SF6开关室环境监控系统运用最新现代激光监测技术,与原来的电化学式、高压放电式、超声波式相比,具有最高的精确度,精度等级可达ppm级,可以作为监测六氟化硫GIS开关的前端元件,使六氟化硫GIS开关室的环境可视化。


ZBF-11B激光SF6环境监控系统系统组成:



2.1 监控主机原理图



22.2 气体激光分析原理

气体分析单元:


控制单元:


气体采样:





2.3温湿度探头原理图



 


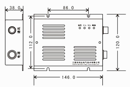
ZBF-11B激光SF6环境监控系统外观及安装尺寸

ZBF-11B激光SF6环境监控系统显示单元室内机:


图1 室内主机单元外形与固定孔尺寸




ZBF-11B激光SF6环境监控系统柜机



ZBF-11B-气体采样装置:

机柜式:




壁挂式:



激光SF6环境监控系统激光气体分析装置




ZBF-11B激光SF6环境监控系统温湿度单元



ZBF-11B-风机控制单元:

机柜式:

前视                         后视



ZBF-11B激光SF6环境监控系统管壁式:

前视



开关室环境智能化监控系统     激光SF6环境监控系统     便携式SF6露点仪     温湿度控制器     ZBF-11B     SF6
地址:张家港市经济开发区国泰北路1号 联系人:王先生 手机:13961696168 电话:0510-80682087 Email:173174676@qq.com 网址:www.zjghjkj.net
Copyright © 2014 张家港市海江科技有限公司 All Rights Reserved 苏ICP备11028388号